Home
About
Product
Used Machinery
Contact
Download
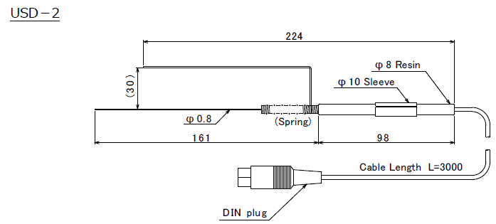
SPRING SENSOR USD-2
Home
SPRING SENSOR USD-2
By SUGIYAMA ELECTRIC SYSTEM